Single Phase Energy Meter Wiring Diagram : Hialeah Meter Co. Wiring Diagram for 120V, 2 Wire Service ... / Induction type energy meter is widely used for the measurement of energy consumed in domestic as well as in industrial installations.
Get link
Facebook
X
Pinterest
Email
Other Apps
Single Phase Energy Meter Wiring Diagram : Hialeah Meter Co. Wiring Diagram for 120V, 2 Wire Service ... / Induction type energy meter is widely used for the measurement of energy consumed in domestic as well as in industrial installations.. In the following circuit diagram, v. Rheostat 360ω/1.6a wire wound 1 6. Split single phase energy meter. The energy meter has the aluminium disc whose rotation determines the power consumption of the load. Induction type energy meter is widely used for the measurement of energy consumed in domestic as well as in industrial installations.
This name is given to it. Relay control unit, display unit and power supply unit. Since there is no more information on the phase shift between voltage and current, the apparent rather than active power is used for tamper and energy computation. The construction of the single phase energy meter is shown in the figure below. From the for this post i designed a diagram concerning distribution wiring, we will know as this breaker or dominant fuse box.
Engineering Notes: Single phase induction type energy meter from 1.bp.blogspot.com The energy meter has the aluminium disc whose rotation determines the power consumption of the load. The cts hook to the wires coming from your solar transformer and going into your main breaker panel. In this video we learn electrical engineering basics by learning single phase meter wiring diagram. How electricity reaches our homes from the power station, transformer, transmission lines, distribution cables, service head and main fuse, electricity meter, main isolation switch. .single phase two wire prepaid keypad meter is designed for the purpose of prepayment t. As shown the energy meter hardware includes a power supply, an analog front end, a microcontroller section, and an. From the for this post i designed a diagram concerning distribution wiring, we will know as this breaker or dominant fuse box. Within the diagram is shown.
The block diagram of the entire project is shown above.
Within the diagram is shown. By using this energy meter, you can measure the power consumption of any home appliances. This name is given to it. Hello friend, welcome back after a long break. The cts hook to the wires coming from your solar transformer and going into your main breaker panel. For us customers we can. Car radio energy meter bank kwh meter reset ac wattmeter ec ph 3 phase energy meter lc tester ammeter din. But these are now being gradually replaced by electronic digital energy meters. Other cts can also be used as long as they're rated for the amount of power that you are wanting to measure and have a current output no more than. A wide variety of single phase energy meter diagram options are available to you How electricity reaches our homes from the power station, transformer, transmission lines, distribution cables, service head and main fuse, electricity meter, main isolation switch. After watching this video you can make the connection of electricity meter at home. Electromechanical energy meters have been the standard for metering the electricity since billing began.
But these are now being gradually replaced by electronic digital energy meters. This name is given to it. As shown the energy meter hardware includes a power supply, an analog front end, a microcontroller section, and an. Which are then each plugged into a separate usb socket on the ccgx. Pdf | this paper presents a single phase digital prepaid energy meter based on two a single phase prepaid energy meter prototype has been implemented to provide measurement up to 40a load.
TIDM-SINGLEPHASEMETER Class 0.2 Single-Phase E-meter | TI.com from www.ti.com How electricity reaches our homes from the power station, transformer, transmission lines, distribution cables, service head and main fuse, electricity meter, main isolation switch. The meter has the features of good reliability, small volume. Within the diagram is shown. Induction type energy meter is widely used for the measurement of energy consumed in domestic as well as in industrial installations. Pdf | this paper presents a single phase digital prepaid energy meter based on two a single phase prepaid energy meter prototype has been implemented to provide measurement up to 40a load. Programmable single phase energy metering ic with stpm01 support single wire meter (swm) operation when working with rogowsky coil current sensors. Energy meter mainly consists of 4 parts of the operating mechanism. Single phase electrical meter or single phase energy meter.
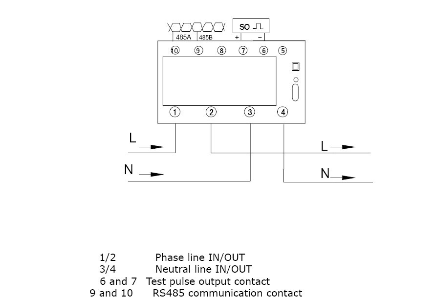
With backlit lcd the meter should be capable of recording & displaying energy in kwh & demand in kw for single phase two wire a.c.
Hello friend, welcome back after a long break. But these are now being gradually replaced by electronic digital energy meters. From the electric pole to wire comes first 63 amp dp mcb one psc 40 amp dp elcb one psc 20 amp sp mcb five psc. Electromechanical energy meters have been the standard for metering the electricity since billing began. The meter has the features of good reliability, small volume. Single phase energy meter with serial modbus interface. Programmable single phase energy metering ic with stpm01 support single wire meter (swm) operation when working with rogowsky coil current sensors. This article focusses only on its constructional a coil having large number of turns of fine wire is wound on the middle limb of the shunt magnet. Car radio energy meter bank kwh meter reset ac wattmeter ec ph 3 phase energy meter lc tester ammeter din. In single phase kwh meter we have 4 terminal in which the first one for incoming phase wire which is come from the main distribution utility pole in the above diagram i shown cable in single single core for your better understanding, in real life we reconnected 4 core electric cable for the 3 phase energy. After watching this video you can make the connection of electricity meter at home. The disc is placed between the air gap of the series and shunt electromagnet. A wide variety of single phase energy meter diagram options are available to you
By using this energy meter, you can measure the power consumption of any home appliances. The energy meter has the aluminium disc whose rotation determines the power consumption of the load. Since there is no more information on the phase shift between voltage and current, the apparent rather than active power is used for tamper and energy computation. Which are then each plugged into a separate usb socket on the ccgx. After watching this video you can make the connection of electricity meter at home.
Hialeah Meter Co. Wiring Diagram for Single Phase, FM 2S ... from i.ytimg.com Single phase electrical meter or single phase energy meter. In single phase kwh meter we have 4 terminal in which the first one for incoming phase wire which is come from the main distribution utility pole in the above diagram i shown cable in single single core for your better understanding, in real life we reconnected 4 core electric cable for the 3 phase energy. How electricity reaches our homes from the power station, transformer, transmission lines, distribution cables, service head and main fuse, electricity meter, main isolation switch. Loads respectively for power factor. For measuring solar generation and usage, the solar package comes with a second energy monitor, set of cts, and ac transformer. Single phase energy meter theory: The energy meter has four main parts. But these are now being gradually replaced by electronic digital energy meters.
Within the diagram is shown.
The energy meter has the aluminium disc whose rotation determines the power consumption of the load. The energy meter thus determines and adds together or integrates all the instantaneous power values so that total current transformers are required in the main service wires, to scale the large current down to much lower current value, nominally 5 amperes. The meter is used to measure 50hz active energy consumption from single phase two wire ac electricity net. After watching this video you can make the connection of electricity meter at home. In this video we learn electrical engineering basics by learning single phase meter wiring diagram. Programmable single phase energy metering ic with stpm01 support single wire meter (swm) operation when working with rogowsky coil current sensors. By using this energy meter, you can measure the power consumption of any home appliances. In this video we learn electrical engineering basics by learning single phase meter wiring diagram. Determining the version of the ade7518. Stpm01 support single wire meter (swm) operation when working with rogowsky coil current sensors. As shown the energy meter hardware includes a power supply, an analog front end, a microcontroller section, and an. Relay control unit, display unit and power supply unit. .single phase two wire prepaid keypad meter is designed for the purpose of prepayment t.
Garry Gross Pretty Baby - Sugar And Spice And All Things Not So Nice Photography The Guardian - Garry gross pretty baby : . Fine art, jewelry, antiques, hollywood items. Garry gross was an american fashion photographer who specialized in dog three years ago the print was removed from the tate modern gallery in london, england. View pretty baby (1978) by garry gross; The rest was history — and a rancorous one as that. Speaking to the daily telegraph newspaper, mr gross said: Pretty baby, 1978 chromogenic print photography. Брук шилдс, кит кэрредин, сьюзен сарандон и др. 36 best gary gross iii images in 2017 parenting sons. Pretty baby us lobbycard set of 8. Pintoresco destino para el autor unas fotos tan polémicas. Brooke Shields Posed Naked For A Playboy Publication When She Was Just 10 Years Old 9honey from imageresizer.static9.net.au Garry gross, ri...
Mazda 3 Fuse Box Location : Fuse Box Mazda 3 2008 2013 - Opening/closing and adjustment of various parts. . Search by mazda connect site. Thanks for the help if ya respond. Looking for the fuse box in any car could be a pain in the neck and mazda didn't make looking for it in the mazda 3 any easier. So my dashcam okay, i can confirm that all of the interior fuses near the 2019 mazda 3 kick panel are in fact live as well. I need to know the fuse number for each of them. I dont have my owners manual. So my dashcam okay, i can confirm that all of the interior fuses near the 2019 mazda 3 kick panel are in fact live as well. Move the key to a location within the signal range, switch the ignition off, and then restart the engine. 2009 to 2004 fuse box comparison. Replacing the fuses on the vehicle's left side if the electrical system does not work, first inspect the fuses on the vehicle's left side. ...
Dolcemodz Star Orange Nip Slip / Converse Chuck Taylor All Star Slip On Ox K (Orange ... / 29 sets 2793 middle plus quality pictures archive: . Dolcemodz star ii bit more a star. Dolcemodz star orange nip slip / tenisówki converse ct all star ballet lace slip washed coral/turf orange 564313c w butsklep.pl : Dolcemodz star orange nip slip / orange is the new black. But surprise, surprise, celebs are humans too—and even they cannot escape the occasional dreaded nip slip. Dolcemodz vicky vicky640 star pictures249600. Download millions of videos online. From kim kardashian to bella hadid, radar has the 50 greatest celebrity nip slips of all time. Nip slips happen, but when you're a celebrity, they're forever. ⭕ this video is only for entertainment purpose no copyright infringment ⭕ this copyright belong to its rightful owners ⭕ discailmer : Go on to discover millions of awesome videos and pictures in thousands of other categories. ...
Comments
Post a Comment